Sterownik rozdzielacza Icon 230V CHWILOWO NIE DOSTĘPNY
Sterownik rozdzielacza Danfoss Icon w wersji 230V do ogrzewania podłogowego lub grzejnikowego.
Jest to opcjonalne wyposażenie szafki rozdzielacza do budynków gdzie zostały zamontowane pokojowe termostaty ścienne z serii Danfoss Icon 230V (lub termostaty innego producenta w wersji na 230V).
Sterownik pośredniczy między termostatami pokojowymi a napędami elektrycznymi zaworów i w chwili gdy wszystkie zawory są pozamykane, za pomocą dodatkowych przekaźników umożliwia wyłączenie pompy obiegowej, kotła gazowego itp.
Dane techniczne:
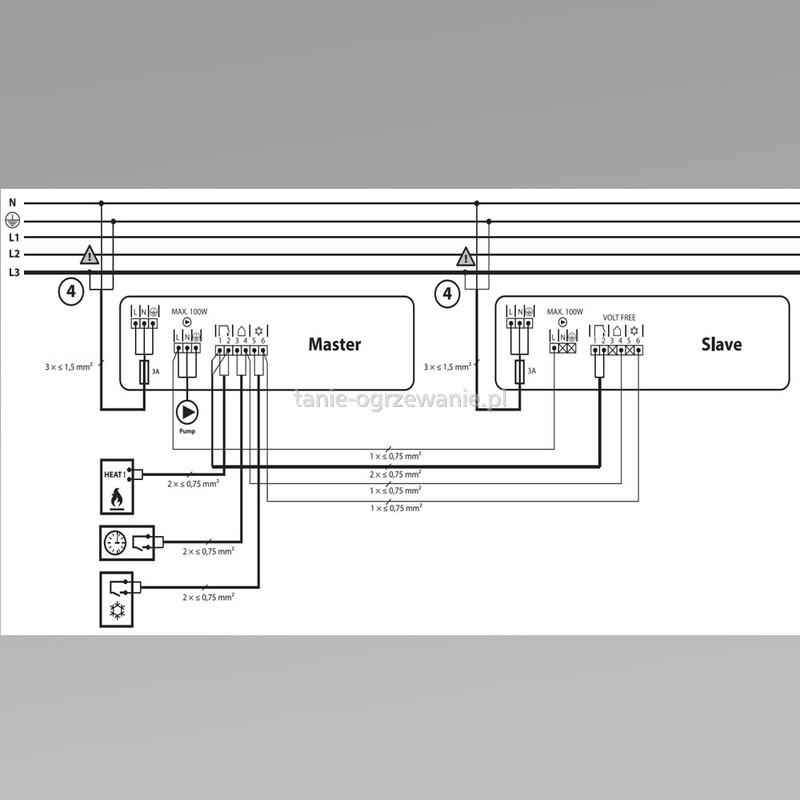
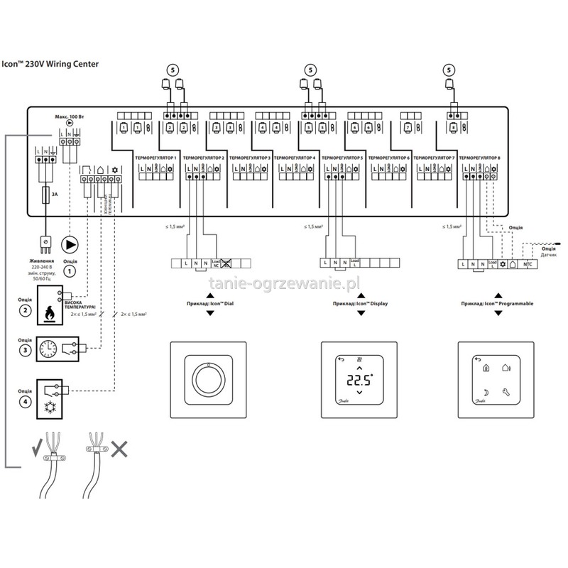
- Obsługa do 8 stref grzewczych (8 pomieszczeń z termostatami) z możliwością rozbudowy o kolejne sterowniki na zasadzie master-slave (ilustracja nr 3)
- Możliwość podpięcia do 14 napędów termicznych NC i NO
- Komunikacja sterownik- termostat za pomocą linii 3-przewodowej 230V
- Praca w układach ogrzewania i chłodzenia
- Wyjście zasilania pompy obiegowej 230W 100W
- Wyjście przekaźnikowe do pieca
- Wejście sterujące zegarowe
- Wejście sterujące chłodzenia
- Wymiary: 360x115x50mm
Gwarancja: 2 lata
Przydatne linki:

