Sterownik zaworu trójdrogowego 10-90 st. C
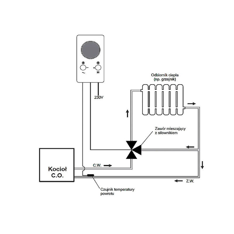
Sterownik zaworu trójdrogowego marki Auraton. Przeznaczony do redukowania i kontroli temperatury w obwodzie grzewczym za pomocą zaworu trójdrogowego. Wykorzystywany najczęściej w obwodach podłogowych gdzie źródło ciepła dostarcza czynnik grzewczy o zbyt wysokiej temperaturze i trzebą ją zredukować do bezpiecznego poziomu rzędu 30-40 stopni Celsjusza.
Dante techniczne:
- zasilanie: 230V
- zakres regulacji 0-90 st.C
- histereza: 5 st. C
- czas pracy siłownika regulowany: 10-400 sekund
- maksymalne obciążenie (moc siłownika): 1A (200W)
Gwarancja producenta: 2 lata






