Pompa Grundfos ALPHA2 25-40 N 180 230V 6H
ISM-01-28126
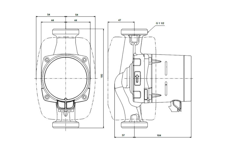
ALPHA2 25-40 N 180 1x230V 50Hz 6H
Wysokowydajne pompy cyrkulacyjne Grundfos ALPHA2 są przeznaczone do cyrkulacji cieczy w systemach grzewczych. Wariant ALPHA2 ze stali nierdzewnej nadaje się np. do domowych systemów ciepłej wody użytkowej. Dzięki wskaźnikowi efektywności energetycznej (EEI) znacznie poniżej poziomu odniesienia ErP, zapewnia znaczną oszczędność energii.
Funkcja AUTOADAPT stale dostosowuje wydajność pompy do rzeczywistego zapotrzebowania na ciepło, tj. wielkości systemu i zmieniającego się zapotrzebowania na ciepło w ciągu roku. Funkcja AUTOADAPT znajduje ustawienie, które zapewnia optymalny komfort przy minimalnym zużyciu energii i sprawia, że uruchomienie jest szybkie, bezpieczne i łatwe. ALPHA2 oferuje również tryby sterowania proporcjonalno-ciśnieniowego, stałociśnieniowego i stałokrzywego.
Dzięki funkcji automatycznej redukcji nocnej pompa automatycznie przełącza się między normalnym trybem pracy a redukcją nocną. Przełączenie zależy od temperatury w rurze zasilającej kontrolowanej przez urządzenie grzewcze. W ręcznym trybie letnim pompa nie pracuje, ale uruchamia się automatycznie z niską prędkością, aby uniknąć zablokowania wirnika, a także lepkich zaworów i zaworów zwrotnych.
Tryby sterowania i funkcje wybiera się za pomocą przycisków na wyświetlaczu. Diody LED wskazują stan pracy, rzeczywisty pobór mocy w watach lub rzeczywiste natężenie przepływu w m?/h, a także ostrzeżenia i alarmy. Ponadto ALPHA2 jest kompatybilna z ALPHA Reader i aplikacją Grundfos GO Balance, umożliwiając instalatorom łatwe równoważenie hydrauliczne systemów ogrzewania grzejnikowego i podłogowego. Konstrukcja i wybrane materiały pompy przyczyniają się do jej długiej żywotności. Pompa jest samoodpowietrzająca się w systemie, co ułatwia uruchomienie. Kompaktowa konstrukcja, wyposażona w głowicę pompy ze zintegrowaną skrzynką sterowniczą, pasuje do większości typowych instalacji. Pompa i silnik stanowią integralną jednostkę bez uszczelnienia wału. Łożyska są smarowane pompowaną cieczą. Te cechy konstrukcyjne zapewniają bezobsługową pracę. Aktywne zabezpieczenie przed suchobiegiem chroni pompę przed suchobiegiem podczas rozruchu i normalnej pracy. W przypadku zablokowania wirnika, pompa będzie stale próbowała uruchomić się ponownie z najwyższym możliwym momentem obrotowym. Obudowy pomp wykonane z żeliwa są powlekane elektrolitycznie w celu zwiększenia odporności na korozję. Silnik jest silnikiem synchronicznym z magnesami trwałymi i kompaktowym stojanem, charakteryzującym się wysoką sprawnością. Prędkość pompy jest kontrolowana przez zintegrowaną przetwornicę częstotliwości wbudowaną w skrzynkę sterowniczą. W celu zminimalizowania strat ciepła w systemach grzewczych, pompy są wyposażone w płaszcz izolacyjny.
Gwarancja producenta: 2 lata, nie dłużej niż 30 miesięcy od daty produkcji.







