Pompa Grundfos ALPHA1L 25-40 130 230V 6H
POMPA ALPHA1L 25-40 130 1x230V 50Hz 6H
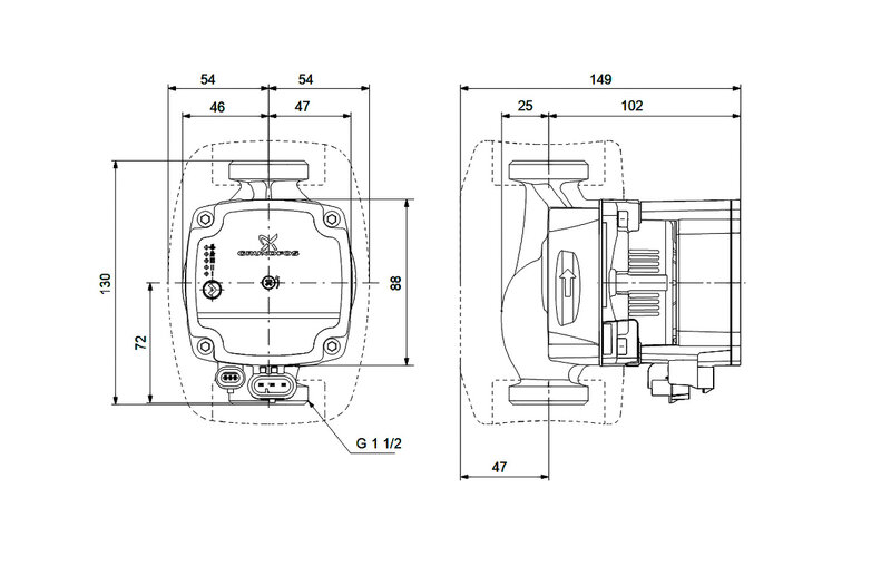
Grundfos ALPHA1 L 25-40 130 to wysokowydajna pompa cyrkulacyjna z silnikiem z magnesami trwałymi (technologia ECM).
Pompa posiada trzy tryby sterowania; tryb grzania grzejnika, tryb ogrzewania podłogowego i stała krzywa / stała prędkość.
Ponadto prędkość można kontrolować za pomocą niskonapięciowego sygnału PWM (Pulse Width Modulation).
Pompa ma ceramiczny wałek i łożyska poprzeczne, łożysko węglowe, wirnik ze stali nierdzewnej, płytkę łożyska i okładzinę wirnika, wirnik kompozytowy, które przyczyniają się do długiej żywotności, a pompa sam się odpowietrza, co ułatwia rozruch a także prosty wybór trybu sterowania.
Kompaktowa konstrukcja z głowicą pompy ze zintegrowanym panelem sterowania i panelem sterowania pasuje do większości typowych instalacji oraz kotłów.
Pompa i silnik stanowią integralną całość bez uszczelnienia wału. Pompa ma konstrukcję mokro-runner. Oznacza to, że łożyska są smarowane przez pompowaną ciecz. Te konstrukcje zapewniają bezobsługową pracę.
Obudowa pompy wykonana jest z żeliwa i jest elektropowielona, ??aby poprawić odporność na korozję.
Silnik jest silnikiem synchronicznym z wirnikiem z magnesami stałymi i kompaktowym stojanem. Sterownik pompy jest wbudowany w skrzynkę sterującą, która jest przymocowana do obudowy stojana i podłączona do stojana za pomocą zaślepki. Funkcje ALPHA1 L
Trzy stałe krzywe / stała prędkość.
Tryb grzania grzejnika.
Tryb ogrzewania podłogowego.
Profil PWM do zastosowań grzewczych (profil A). Sygnał PWM jest metodą generowania sygnału analogowego za pomocą źródła cyfrowego.
Zoptymalizowany energetycznie, zgodny z dyrektywą ErP
Odblokowanie śruby, dostępnej z przodu skrzynki sterowniczej.
Działa niezawodnie i wydajnie nawet w najbardziej wymagających warunkach
Regulowana i elastyczna wtyczka instalacyjna z dwoma możliwymi położeniami dławika kablowego.
Gwarancja producenta: 2 lata, nie dłużej niż 30 miesięcy od daty produkcji.







